Review
Accuphase E 260 Integrated Amplifier
Google translator is available
By Bruno Fazzini
Graphic Massimo Piantini
Accuphase E 260 Integrated Amplifier, da poco presentato dalla famosa factory giapponese, rappresenta una importante revisione del precedente modello E-250, e rappresenta la più recente tecnologia di progettazione con lo stesso eccellente circuito AAVA presente nei modelli più importanti del catalogo, quali l’ E-560, E-460 e E-360.
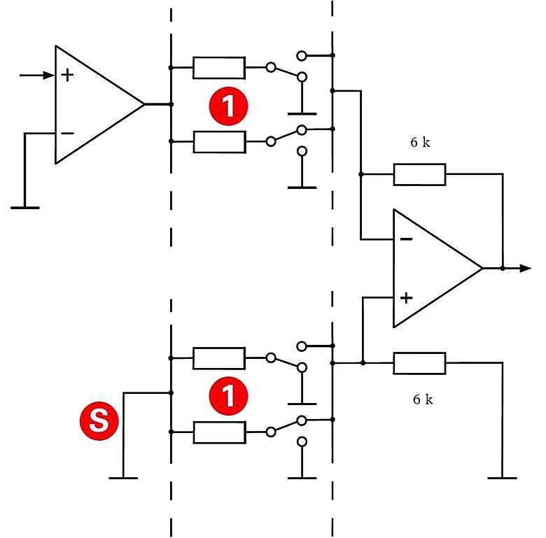
L’AAVA è un sistema fortemente innovativo che ridefinisce il concetto di controllo del volume da zero, operante esclusivamente nel dominio analogico per garantire alte prestazioni sul risultato sonoro finale.
Nello stadio di uscita ad alta potenza, i transistor sono disposti in una configurazione push-pull parallelo che migliora notevolmente la capacità di governare in modo sicuro carichi a bassa impedenza.
![]() |
|---|
Il sistema di alimentazione adotta un trasformatore di potenza enorme e condensatori di filtro di grandi dimensioni. Questo fornisce una notevole spinta dinamica erogando 115 watt per canale su 4 ohm, o 90 watt per canale su 8 ohm, con un fattore di smorzamento di 200, grazie al particolare circuito.
L’impostazione sonica non si discosta dal “family sound” del marchio, con la grazia sonica e la timbrica vellutata che contraddistingue tutte le elettroniche del marchio e che tanti appassionati ha incantato nel corso degli anni.
Nella categoria dei 5.000 euro un integrato non economico, ma dalle caratteristiche soniche e costruttive uniche.
Caratteristiche tecniche
Controllo del volume AAVA
Stadio di uscita con transistor ad alta potenza a disposizione push-pull parallelo.
Potenza: 90 watt per canale su 8 ohm
Ingressi anche bilanciati XLR
Relè Logic-controllo per percorsi di segnale più brevi
Alimentazione con massiccio trasformatore ad alta efficienza e condensatori di filtro di grandi dimensioni
Pulsante EXT PRE che consente l’utilizzo separato di sezioni preamplificatore e amplificatore di potenza
Risposta in frequenza: da 3 a 150.000 Hz -3dB per 1 watt d’uscita
Dimensioni: mm L 465 x H 151 x P 420
Peso: 20 Kg netto
Anno 2010/2016
![]() |
|---|
Accuphase E 260 in the test
Audio .de
http://www.audio.de/testbericht/accuphase-e-260-im-test-1472634.html
-
+in every way comprehensive, complete, and yet absolutely quiet play without any edges.
Decent testers try each amplifier friendly, determined and clarified-objective to meet – no matter where it comes from. Only with Accuphase will be difficult. Because some men bow down before the still sealed packaging carton. And indeed: this – always redundancy is about 6 pounds and has extremely fail-safe – certainly deserves attention.
If the eye then falls to a new Accuphase, the strictest judge takes even a minute of silence time. In the case of the entry-level model E 260 for 5,000 euros him first comes the ancestor of E 202 of 1975 in mind, then he remembers the numbers 203-213 and finally to the Accuphase E 250 by 2009.
Not a single one of these integrated amplifier disappointed.Rather, it came gradually to subtle increases in power , accompanied by improvements in the signal to noise ratio and reduced distortion.
Accuphase Integrated Amplifier E 260
The Prince’s Palace
By Johannes Maier
http://www.accuphase.com/review_pdf/Audio_E-260_02-2013e.pdf
PDF Data
High Fidelity
Accuphase E 260 vs E250
High-end is a specific world. It is a separate entity. It is closed, hermetic. And it is governed by certain etiquette. In contrast to much more “loose” hi-fi, it is focused on things that are not that important in the lower price ranges, or are even understood the other way around. This may be a certain approach to the design process, a philosophy associated with used components, a type of advertising, an understanding of the quality/price ratio (or actually eliminating this category altogether), as well as a method of selling the product. One of the more important determinants is also the frequency of a new product launch. Shortly speaking, the less frequent, the better.

That low rate of offer change is conditioned by several factors. One is associated with the fact that real progress at such high level of quality does not happen every now and then, and minor improvements accumulate over a long period of time. Another is associated with the so-called “owner’s pride”. The point is that buying an expensive – in other words, good – product we expect it to remain good in a year, two, three or maybe more years’ time. Withdrawing a model after a year or two, for no other apparent reason than to simply refresh the offer, runs contrary to the logic applied in the world of luxury goods. And that is where high-end belongs. And finally, there is a prosaic reason: if the offer of high-end products changed too often, consumers would refrain from buying, waiting for a newer model…… See more
VIDEO
Link
Accuphase Laboratiry
Gallery

































